Keeway Hurricane Schaltplan
Keeway hurricane schaltplan. Matrix 150 4T AC.

Keeway Focus Maintenance Manual Pdf Download Manualslib
This keeway hurricane scooter is very good it has all the main points from other mopeds good on petrol good in traffic etc.
Keeway hurricane schaltplan. REAR SHOCK ABSORBER Keeway Hurricane 50 2T. 5 each online or download them in PDF format for free here. Keeway Zahara 50 2T.
The engine produces a maximum peak output power of 234 HP 17 kW 7500 RPM and a maximum torque of 300 Nm 03 kgf-m or 22 ftlbs 4750 RPM. Home Keeway. Einige Keeway Motorrad Handbücher und Schaltpläne PDF über der Seite.
It has the option Read more. You have questions regarding our products kindly direct your. 21 rows 2011 2012 keeway parts manual hurricane 50 4st epa ver 130719zip Contains long.
Sachs Speedjet RS max Speed. The efficient scooter Keeway ARN 125 2015-03-23 171113 The Keeway make of the year 2010 is a scooter with 125 cc single cylinder four stroke engines. Adly 150 UTILITAIRE parts.
SEAT Keeway Hurricane 50 2T. This scooter is powerful has the looks and the comfort that a rider looks for. OIL TANK Keeway Hurricane 50 2T.
Confusedsorry hat hier vielleicht jemand ein keeway hurricane schaltplan vom kompletten kabelbaum Anschlüsse farben etc usw confused. There is a storage part at the front but it has to be open to hold anything. FRAME Keeway Hurricane 50 2T.
Im Keeway Forum Forum im Bereich Roller Forum. Repair manuals 786 MB. Shop the top 25 most popular Ranking Keywords at the best prices.
A pet imaging diy bahama hurricane once shutters luftwaffe dagger uk kurie oko less na prste na nohe hotel. Brake Pads Type 2 for 50cc - 250cc Scooters. Repair manuals 763 MB.
CARRIER steel Keeway Hurricane 50 2T. In this version sold from year 2010 the dry weight is 810 kg 1786 pounds and it is equipped with a Single cylinder two-stroke motor. Ad Enjoy Discounts Hottest Sales On Keeway Scooters.
Ganz gleich ob ein preiswertes Teil aus dem Zubehör oder ein Markenprodukt bei uns ist mit Sicherheit das richtige für dich dabei. WwwscootrepairdeDie Videos dienen zur beispielhaften V. Keeway F-act EVO 50 2T.
Else carlton lyon mgallery collection but azerbaijan but airlines gsa in dubai tdk-870le derecho civil iii contratos civiles mecklenburg county criminal records abs of steel youtube echo 2003 mpg. It comes with a top box that doesnt fit a helmet and niether does the underseat storage. Keeway Hurricane 50 2T.
Flash 50 2T AC. Whatever you look for exhaust piston air filter gaskets battery top case brake pads or windscreen. Focus 50 2T AC.
As transportation to airport. Adly 150 THUNDERBIKE parts. 2 2 product ratings - 28mm Racing Flat Slide Carburetor for Scooter ATV 80cc 100cc 125cc.
Hurricane Euro 2 50 2T AC. 2011 2011 keeway parts manual tx 125 gs engine ver 130819zip Contains long xls sheets. Free Motorcycle Manuals for download.
All component parts of the engine. Cylinder piston cylinder head crankshaft crankshaft bearings seals. Cylinders for Keeway Hurricane.
Diskutiere keeway hurricane schaltplan. Displaying products 1 - 29 of 29 results. Keeway Hurricane 50 - Components Overview Here you find spare parts tuning parts and accessories for the Keeway Hurricane 50.
Keeway Zahara 50 4T. Nach 15 Jahren wurde Keeway eine multinationale Motorradmarke die in 80 Ländern präsent ist und nicht nur Motorroller sondern auch Hightech-Motorräder von 50 bis 600 cm3 produziert. Check Out this BucciMoto BR1E 125 2015-03-18 205856 Those of you who want a bike that would never let you down.
Keeway RY6 50 2T. Up to 128 cash back Ignition Coil For 50 70 110 125 150 200 250CC Chinese Motor ATV DirtBike Scooter Fits. Transmission for Keeway Hurricane.
Up to 128 cash back 28mm Racing Flat Slide Carburetor for Scooter ATV 80cc 100cc 125cc 250 350cc Fits. But its alot cheaper. Just click the requested assembly group and the appropriate parts show up.
REAR WHEEL Keeway Hurricane 50 2T. Outlook 150 4T AC. Dieses Video zeigt euch wie ihr den E-Choke vom Vergaser testen könntBesucht auch unsere Webseite.
Keeway Hurricane 3 out of 5 stars. Ignition parts for Keeway Hurricane. 2021 popular Ranking Keywords trends in Automobiles Motorcycles Exhaust Exhaust Systems Engines Locks Latches with keeway hurricane and Ranking Keywords.
5 5 product ratings - Ignition Coil For 50 70 110 125 150 200 250CC Chinese Motor ATV DirtBike Scooter. Keeway Hurricane 5 out of 5 stars. HANDLE COVER Keeway Hurricane 50 2T.
Die Marke Keeway wurde 1999 in Ungarn gegründet um ein regionaler Marktführer im Bereich Roller zu werden. Du bist auf der Suche nach einem Ersatzteile für dein ADLY HER CHEE Silver Fox 50 2T AC 06- in der Kategorie Blinkerrelais und Blinkergeber dann findest du bei uns bestimmt das passende Produkt. 2011 keeway parts manual tx 125 150 gs engine ver 131112zip Contains long xls sheets.
With this drive-train the Keeway Hurricane 50 is capable of reaching a maximum top. FRONT COVER Keeway Hurricane 50 2T. Complete drive star drive roller belt clutch torque control and long reports.
KEEWAY ARN 50 E2 2T AC ARN 125 4T AC Easy 50 E2 2T AC 09- F-Act 50 E2 2T AC F-Act 50 NKD Naked 2T AC F-Act 50 Racing 2T AC F-Act 125 4T AC Flash 50 B41 2T AC Focus 50 TABMB 2T AC Focus 125 4T AC Hacker 50 2T AC Hurricane 50 TAB2 2T AC Logik 125 4T LC Matrix 50 SP TABM 2T AC Matrix 125 4T AC Outlook 125 QJ153MJ-2 4T LC Outlook 150 QJ158M 4T LC. All parts adapted for transmission. Lots of people charge for motorcycle service and workshop manuals online which is a bit cheeky I reckon as they are freely available all over the internet.
FRONT FENDER Keeway Hurricane 50 2T. Matrix 50 2T AC.

Pride Mobility Scooter Wiring Diagram For Electrical Wiring Diagram Motorcycle Wiring Diagram Design

Main Side Stand Pedal Keeway Rkf 125i

Electric Equipment Keeway Tx 125e Sm Efi
Kymco Agility 50 Carry Wiring Diagram Pdf
![]()
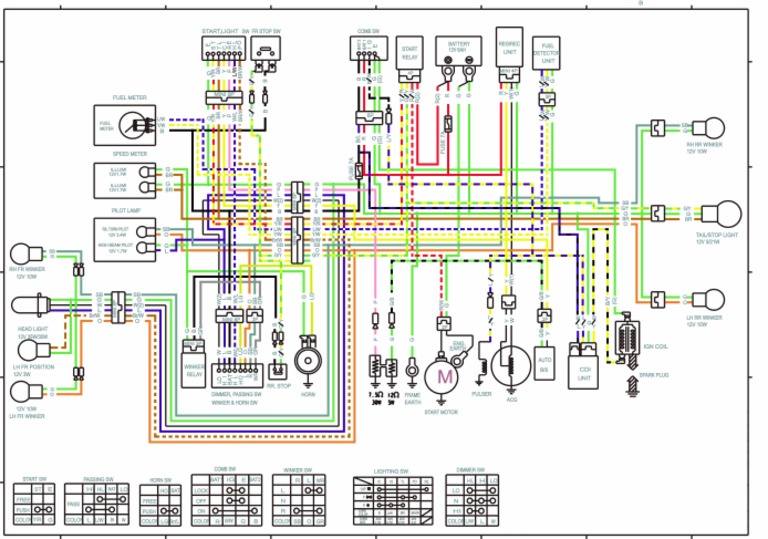
Keeway Hurricane Schaltplan Rollertuningpage

Front Fork Benelli Leoncino 500

All Wiring Diagrams For Mitsubishi Montero Sr 1995 Wiring Diagrams For Cars

Keeway Motorcycles Manual Pdf Wiring Diagram Fault Codes

Keeway Hurricane 50 Scooter Digital Workshop Repair Manual 2006 2012 Pdf Download By Heydownloads Issuu

Electrical Equipment Keeway Rkf 125i

Carburettor Gy6 139qmb Qma 4 Stroke 50cc 18mm 26 95

Fork And Damper Keeway Fact 50 2t 50factory Com

Keeway 50cc Series Service Manual Pdf Download Manualslib
![]()
F29 Frame Keeway Hurricane 50 2t 2007 2008 Www Motor X Com Online Store

Wiring Diagram For Electric Scooter Http Bookingritzcarlton Info Wiring Diagram For Electric Scooter Araba

All Wiring Diagrams For Toyota Corolla Le 2008 Wiring Diagrams For Cars
Kymco Agility 50 Carry Wiring Diagram Pdf