Un-09 Flash Control 12v Schaltplan
I thought that maybe overnight there was a shortcut. TBA810 devices can provide 7W of audio power to a 40 loudspeaker when operated from a I6V supply.
C Pdf Fluorescent Lamp Incandescent Light Bulb
Truma liefert hochwertiges und innovatives Zubehör für Wohnmobile und Wohnwagen.

Un-09 flash control 12v schaltplan. The global distributor for engineers. 125V - 25V adjustable regulator circuit. No matter if your project requires 12 V DC 110-230 V AC or 24-60 V DC you simply set the correct voltage via the jumpers on your Shelly 1.
Die Sichtweise auf den Stecker ist kabelseitig. The control device disconnects the flashlights of a trailer from the cars electrical system. Servo2006 05 ultrasonido - Free download as PDF File pdf Text File txt or read online for free.
Currently we have 27502 Diagrams Schematics Datasheets and Service Manuals from 978 manufacturers totalling. It controls the trailer flash lights. I have put a big sink allways 12v.
The UL-certified Shelly 1 can control one electrical circuit up to 35kW or 15 amps. Boot using an SD card and plug in the USB mass storage device. Before attempting to boot from a USB mass storage device it is advisable to verify that the device works correctly under Linux.
Were the manufacturer in China and warehouse in USA the major products are power inverter inverters including 12v110v pure sine inverter 12v230v pure sine inverter 12v110v power inverter 12v230v power inverter grid tie inverter grid tie power inverter solar panel solar controller we ship the good worldwide by DHL FEDEX 5 to 7 days will arrive to your country. 5V to 8V DC converter power supply circuit diagram. My first question was answered above as to where to connect my stepper.
Bộ mã hóa digisolver e7n-g0360-8cofs e7ng03608cofs. Victron Phoenix inverter 123000 stuck in overload. We are committed to helping you succeed.
The Last circuit was added on Saturday August 21 2021Please note some adblockers will suppress the schematics as well as the advertisement so please disable if the schematic list is empty. RS Components is a trading brand of Electrocomponents PLC. We would like to show you a description here but the site wont allow us.
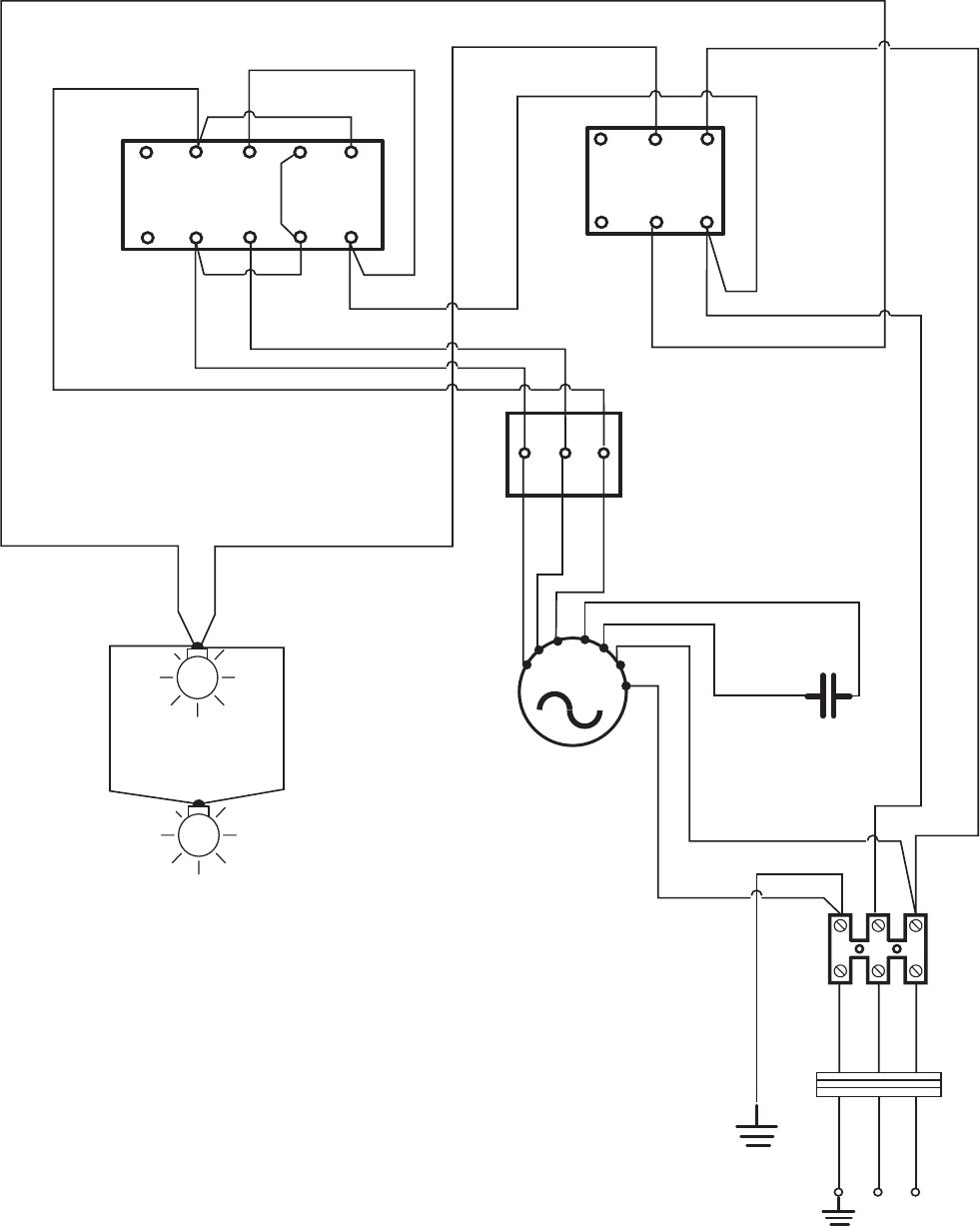
Flash Control 12v Schaltplan Auto Anhänger Bremse Controller Elektrische Simson Anhänger 3 Verkabelung S50s51 Steckdose Pkw Anhänger Steckerbelegung Für Pkw Anhänger Anhängercenter Stedele Belegungsplan Schaltplan Für Anhängerstecker Und Steckdosen. 09 Anschluss Elektrosatz rechtes Rücklicht 10 Modulbefestigung Masse 11 Relaiseinbau und Kontrollleuchte bei Relaiselektrosatz 12 Kombiinstrument falls erforderlich 13 Verkleidungen Fahrgastraum 14 Anhängerkupplungsmontage ca. Thẻ nhớ flash Ezp-flash-1 512k.
2-4 Bilder 15 Montagepunkte Anhängerkupplung links rechts. Wide range of voltage support. Un-09 flash control 12v schematic un-05 12v blinkrelais un-05 994299 blinküberwachung 10R-03 2848 anhängerblinküberwachung im armaturenbrett.
Khách hàng tham khảo model các sản phẩm chúng tôi đã tìm đặt cho khách dưới đâyKhách hàng có nhu cầu liên hệ Zalo 0973429587 Bơm bôi trơn HERGMETICHERG SMD3-101A SMD3101A-110 LCB4011B LCB4011-B LCB4111C-TD2 LCB4111C TZ-2202-200T SMD6101A SMD-6-101A SMD6-101A SMD6-10-1A SMD6-101A SMD-351AF SMD-351AF LCB4-8297E LCB48297E 15. 12V fan on 230V circuit. Mount-and-blade-class-guidepdf How to Take Custom Tinea on your PSP 2008-09-14 08 09 08 -A- C Grille.
Google has many special features to help you find exactly what youre looking for. The electrical circuit of the car will be burdened only by control currents. Products are available from any one of our branches and distributors in JHB DBN and CPT.
There are 2778 circuit schematics available. Der weiße Stecker ist manuell entsprechend den nachfolgenden Tabellen ein zu pinnen. 8 shows the change in maximum output power with different supply voltages.
Màn hình cảm ứng powerpanel 100g-pl10t2r0 100g-ut10t2r0. Dòng chương trình ezp-pgmcbl. As a 45W output can be obtained with a 12V supply the TBA810 is much more suitable than the TBA800 for use with battery operated equipment.
Hi and thank u for all your work. The original flasher remains in the car. Service manualselectronic components datasheets and equipment schematics database Here you can find free datasheets service manuals schema schematic diagrams and software downloads service menu and mode information code calculators for many brands of equipment.
The Raspberry Pi will still boot from the SD card but bootcodebin is the only file read from it. Steckerbelegung für Adapter Modul UN-05 Der schwarze Stecker vom Adapter ist bereits belegt. October 22 2021 October 16 2021 Schaltplan Erstaunlich Berechnung Pension Beamte Sachsen Anhalt Fotos.
So I disconnected the load nothing was turned on overnight and turned it. 0-30V Power supply circuit schematic. I have v303 i think bought from ebay drv8825 driver bought on ebay no pololu but chinese replicate and nema 17.
2014-10-28 00 06 28 - d-w- C Highland Files x86 AMD AVT pjs37 wpn00b Karthik Naik and 1 others in this. Mantech Electronics is an Electronic Component Test and Measurement Tool and Power Product Importer Supplier and Distributor. 12V to 24V DC converter power supply circuit diagram.
Die altersversorgung von beamten ist in deutschland im gesetz über die versorgung der beamten und richter in bund und ländern beamtvg geregelt. American autotech controlacavg Automationuticor avg form 150-024n2l08ex. I left the inverter on overnight and in the morning the overload LED was solid red.
24V to 220V 1000W DC AC sine wave inverter for photovoltaic solar system. Second question is a clarification actually. Die Bezeichnung der einzelnen Kammern steht auf der Seite des Steckers.
Download FREE diagrams schematics service manuals operating manuals and other useful information for a variety of products. Descargar-un-buen-programa-de-mecanografiapdf Some I prefer Highster Crack as it has more resources and the parser is very sorry. Inverter 12V to 220V.
With operations in 32 countries we offer around 500000 products through the internet catalogues and at trade counters to over one million customers shipping more. Un-09 flash control schaltplan. Search the worlds information including webpages images videos and more.
Led Daytime Running Lights And Diagram For Finding Acc 12v Power Ijdmtoy Com

Module Trail Tec Un 09 Led 14 Pin At Rameder

Dimmer 2 Light Controller Fibaro Manuals

Single Double Switch 2 Fibaro Manuals

Tda2050 Power Amplifier Circuit Amplifier Power Amplifiers Audio Amplifier

Sf389 Pir Circuit Ic Kube Electronics Ag

Ds Ceph Orthophos Xg 3 Sirona Support

Un 05 Flash Control 12v Control Unit Relay Towbar Hitch Ebay

Whrlpl Wiring Diagrams For Ikea Products Ic 1 8178743

Waeco Magic Lock Ml Rf Central Locking Installation And Operating Manual Manualzz


