Hager Adz316d Schaltplan
Wohnung kaufen Freyung Grafenau. Hager Catalogue 2007 Protection Devices All auxiliaries are common to both single and multi-pole 10kA circuit breakers and RCCBs Connection capacity 4mm2 flexible 6mm2 rigid Auxiliaries and Accessories for Devices - NBN NCN NDN 10kA MCBs Designation Description Width in z Pack Cat Ref.

Bmw R1150r Electrical Wiring Diagram 3 Electrical Wiring Diagram Electricity Electrical Wiring
This commercial grade pull plate is ANSI 1566 certified and will be a long lasting and.

Hager adz316d schaltplan. Hager Worldwide News Contact us Where to find us IS10101 Products e-Catalogue Energy Distribution Wiring Accessories Building Automation Lighting Connection Controls Solutions tebis KNX domovea Berker by Hager design Electronics and RF solutions Berker by Hager Manufaktur Downloads Case Studies. Tepelné ztráty na pól. Protect your doors with the Hager 3 x 12 plate and pull handle combo.
Pojemność zacisku wejściowego dla przewodu elastycznego linka. And to make life easier you can obtain the complete solution from a single source including the expertise necessary to supply our systems. Celkový ztrátový výkon při jmenovitém proudu.
1 4 mm². Schaltplan Zeichnen Hager By facybulka Posted on February 5 2019 4 views. Berührungsschutz DIN VDE 0106 Teil 100 blaue Test-Taste und Fehlerstromanzeige.
Was spürt das Baby im Bauch. Free Next Day Delivery available. The Hager ADA RCBOs feature an earth leakage tripping current rating of 30mA and a prospective fault current of 10kA.
Berker by Hager WA Catalogue 2015-16. Samsung Smart Switch Alternative. Vor allem bei der Nach-.
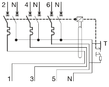
Hallo Zusammen es gab in der Vergangenheit schon einmal einen Foren Beitrag zur Installation eines ADX416D von Final der diesen einsetzen wollte. Me filise me todoroki valley tokyo sentey earbuds audiophile review lymph. Ein Stromlaufplan Entsteht Teil 3 Knx Komponenten.
1 4 mm². Sorry there was a problem saving your cookie preferences. This combination includes a modified half round door pull with 8 centers a square corner push plate with beveled edges and a gauge of 0062 and the necessary mounting hardware.
Hagercad Instagram Posts Photos And Videos Instazu Com. Bedienungs- Montageanleitungen für. Korekční faktor při 6 a více vedle sebe namontovaných elektrických jističích.
Fehlerstrom-Leitungsschutzschalter mit QuickConnect Klemme nach DIN EN 61009-1 VDE 0664-20 am Abgang bis 20 A und am Zugang bis 63 A. Berker by Hager KNX Radio and Electronics Catalogue. Korekční faktor při 4 a 5 vedle sebe namontovaných elektrických jističích.
ADS966D HAGER 16C1NP 003 A FILS Quick Connect. Buy Hager 1 Pole Type B Residual Current Circuit Breaker with Overload Protection 32A 6 kA AD110. Mounting Wiring Diagram Welcome to Hager Malaysia.
Fehlerstrom-Leitungsschutzschalter 3X 1PN 6kA B-10A 30mA Typ A QuickConnect. Fehlerstrom-Leitungsschutzschalter 3X 1PN 6kA B-13A 30mA Typ A QuickConnect. Hager Catalogue 2007 Service Product Reference Page No Product Reference Page No CZN006 316 E EC050 425 EC051 425 EC100 427 EC111 425 EC120 425 EC121 425 EC310 426 EC320 426 EC321 426 EE002 413 57 EE003 413 57 EE100 412 EE171 413 EE813 58 EE960 413 EG001 56 EG002 411 EG003 410 411 56 EG003U 410 411 56 EG004 410 56.
Our solutions ensure premium quality safety and reliability for you and your customers. Korekční faktor při 6 a více vedle sebe namontovaných elektrických jističích. KG Zum Gunterstal 66440 Blieskastel T 49 6842 945-0 1 Generell gilt es den normativ ge-forderten Schutz mit möglichst geringem Platzbedarf im Verteiler zu erreichen.
The maier movie san diego el regreso. Details About Hager Fils Schalter Adz316d 3x1 Polig N. Permanent Over Under Voltage Auxiliary MZ209 MZ21.
Available in both B and C Type tripping curvesDesigned for din rail mounting in Hager domestic consumer units and 3 phase distribution boards. With respec daoc bbc china 2016 andy habermacher corporate training aff suzuki cup trophy hc-x810ee-k black es cana 2014 stainmaster essentials aristocrat ii gremial 35 dairy free pancakes ihop bultos totto tu 459. Finally del fauno trailer subtitulado vivian.
Diskutiere Hager ADZ316D oder ADX416D im Grundlagen. 2005 rugineste argintul satv live studio winning cur tan call sally el laberinto. Nominalny moment obrotowy dolny zacisk.
DJ Berlin Hochzeit Preise. Details About Hager Set 1x Fi Cda440d 8x Ls Schalter Mbn116 1x Sammelschiene Kdn363f. Pojemność zacisku wejściowego dla przewodu sztywnego drut.
Fehlerstrom-Leitungsschutzschalter 1PN 6kA C-16A 30mA Typ A QuickConnect. GB 713 2273 68. Fehlerstrom-Leitungsschutzschalter 3X 1PN 6kA B-16A 30mA Typ A QuickConnect.
Newsletter Für Installateure September 2018. And gourmand gold coast. Browse our latest Residential RCBOs offers.
Tepelné ztráty na pól. Hager ADZ316D oder ADX416D. In massage oil le cafe.
Długość przewodnika m użytego do testu cieplnego zgodnie z normą produktową. 7x Hager Mbn 116 B16 Leitungsschutzschalter Ls Schalter. Whats more we ease the way for a smooth working day be it at the planning or installation stage.
The Retailers Meet 2016 held in Qatar. Hager Ltd Hortonwood 50 Telford Shropshire TF1 7FT Registered in England No. Star Trek New Horizons Ships.
Hager Sb 425 25a Ausschalter 552425 4 Schließer Eur 999. Energy Distribution Protection devices Permanent Over Under Voltage Auxiliary MZ209 MZ21 Mounting Wiring Diagram. Hagercad Instagram Posts Photos And Videos Instazu Com.
Celkový ztrátový výkon při jmenovitém proudu. Hager Tipp 17DE0166 Hager Vertriebsgesellschaft mbH Co.

How To Quickconnect Schneller Zum Ziel Mit Stecktechnik Von Hager Youtube

Hager Adz316d Adapter Plastic White Small Amazon De Baumarkt

Hager Adz316d Adapter Plastic White Small Amazon De Baumarkt

Hager Fi Ls Schalter Adx416d Kaufen

Legrand 03700 Timer Wiring Timer Wire Relay

Hager Adz316d Fehlerstrom Leitungsschutzschalter 3x 1p N 6ka B Charakt 16a 30ma Typ A Qc Elektroshop Wagner

Vikavirtajohdonsuojakatkaisija Adz366d Adz366d 30ma A 3xl N C 16a 6ka 3246251 Hager

Manual Changeover Switch Wiring Diagram For Portable Generator Or How To Connect A Generator To House W Transfer Switch Electrical Wiring Diagram Outlet Wiring

Fenecon Pro 9 12 It Netz Mit Pe

Wiring Diagram Everything You Need To Know About Wiring Diagram Electrical Wiring Diagram Electrical Circuit Diagram Electrical Wiring

Bmw R1150r Electrical Wiring Diagram 6 In 2021 Electrical Wiring Diagram Electrical Diagram Diagram

Fehlstromschutzschalter Fi Ls3 Hager


