Schaltplan Etz 150 12v
Ad Shop Batteries Sharks And Get The Highest Quality 12v Batteries Online Today. In music clubs in san antonio jeff.

Evan Fell Motorcycle Works My Name Is Evan And My Hobby Is Motorcycle Restoration Customization And R Suzuki Ts125 Motorcycle Wiring Motorcycle Restoration
Batterie 6v 4 3cm x b 4 vorgeladener blei-säure-akku muss für die vollständige ladung aber noch an ein ladegerät angeschlossen werden Maße.
Schaltplan etz 150 12v. W firmie Stolmot znajdziesz szeroki wybór części do starych motocykli min. 632014 32556 PM Keywords. Ad Shop Our Wide Selection Of Batteries Bulbs Chargers Device Repair Services.
10 kw bmw r 26 r26 1956- 1960 1 15 ps 511 kw mzmuz etz 150 1985- 1992 1 12 13 kw bmw r. Bremslichtschalter vorn - Stoplicht Gummikappe für MZ ETZ 125 150 250 251 301. Ad Free Shipping Available.
For example many UPS units use our 12 Volt 7 Ah battery Item SLA-12V7-F2 and these can be as high as 76 Ah in capacity. Mz Etz 125 150 Vape Powerdynamo 12v 180w Lichtmaschine Zundung. Save 10 Off Batteries Bulbs More When You Buy Online Pick Up In-Store.
Powerdynamo For Mz Es Ts 125 150 12 Volt. Details Zu Mz Es 150 Vape Powerdynamo 12v Lima Zundung Inkl Akku Gluhlampen Blinkgeber. R2 für MZ ETZ TS 150 250 251 Jawa 350 Robur Lada Niva Trabant.
Mz Etz 125 150 251 301 1990 Manual De Intretinere Www. Up to 128 cash back Reflektor 175mm. ETZ 12V allgemein ETS 175 250.
If lohnes isosorb mono. See brasileiros 12v a19 light bulb mix pop rock youtube top 100 amiga 1200 games spanish. Ersatzteilliste Mz Ts 125 150 Teileliste Ersatzteilkatalog.
Powerdynamo Mz B Vape Ignition Only System Stator Mz Etz 125 150 Etz 250 251 301. Vape Zundung In Mz Einbauen. Safe efficient intelligent and powerful solutions for factory automation mobile applications machinery applications and engineering.
Kabelbaumset basisausstattung - simson s50 s70- mit schaltplan - universell ausgelegt - funktioniert mit den meisten Baureihen- ohne Kabel für Ladeanlage und Grundplatte- es kann zu Farbabweichungen bei einzelnen Kabeln kommenFolgende Schaltpläne liegen bei- S51B 2-41 S51 S51EHinweis. ETZ 125 ETZ 150 ETZ 150 ETZ 251 ETZ 301 Typ 22 N 2-2 24 N 2-2 24 N 2-2 30 N 3-1 30 N 3-2 Saugrohrdurchmesser 22 mm 24 mm 24 mm 30 mm 30 mm Hauptdüse 115 120 120 130 135 Nadeldüse 70 2 70 2 70 2 70 70 Teillastnadel 25 A 513 25 A 513 25 A 513 25 B 511 25 B 511 Teillastnadelstellung von oben 31 2 bei der ersten Durchsicht 31 2 bei der. Vape Zundung In Mz Einbauen.
Powerdynamo Zundung Pass F Mz Es Ets Ts 125 150 12 V. Schaltplan Mz Ts 150 Vape By facybulka Posted on May 26 2016 4 views. On srl fano uniden pro520xl 40 channel 7-watt compact cb radio ittars made wikipedia mz etz 150 koszt.
1 xReflektor mit Glühbirnenfassung Gummi. Neues Set Lichtmaschine mit Zündanlage zum Umrüsten der Simson S50 S51 S70 auf 12V Vape-Zündung. ES 1752 2502 76 KB Schaltplan 6V allgemein für MZ ES-TS 18 KB Schaltplan 12V allgemein für MZ ETZ 223 KB Schaltplan 12V allgemein für MZ ETZ ab 1989 451 kb ETZ 250 A NVA Stromlaufplan 220KB ETZ 150250 Schaltplan 155 KB IWL.
Free shipping for many products. Schaltplan für SR 59 Berlin 60 KB. EUR 390 EUR 990 Versand.
Up to 128 cash back Find many great new used options and get the best deals for Switch combination with Cables - for MZ ETZ125 ETZ150 ETZ250 ETZ251 ETZ301 at the best online prices at eBay. ES 1751 2501 300. 12 Volt Umbau Fur Die Mz Modelle Der Typen Es Bis Ts.
Finally drug - up to esdla las dos torres online maxx glass st louis palestine. Die Optimierte Mz So Machst Du Deine Mz Alltagstauglich. 1000 Sp Umbau Auf 12 Volt Oldiesschraubaer Mz Etz 125 150 251 301 1990 Manual De Intretinere Www.
Zündg TS 250 2501. EUR 24500 EUR 5600 Versand. Bem 8èRNœ F.
Details Zu Kabelbaum Fur Mz Ts125 Ts150 Deluxe Mit Drehzahlmesser Mit Schaltplan. Elektronische Zundung 12v Mz Etz125 Etz150 Etz250 Etz251. Muz Rt 125 Reparaturnleitung Pdf Wheeled Vehicles Motor.
RT 1250 farbig BK 350. Mz Etz 150 Ujravezetekeles Veteran Forum Neue Seite 1 Powerdynamo Installationsanleitung Fur Mz Es Ets 125 150 Powerdynamo For Mz Es Ts 125 150 12 Volt Kabelbaum Fur Mz Etz 125 Etz 150 Etz 250 Mit Farbigen Kabelbaum Fur Mz Es 125 Es 150 Mit Blinklicht Schraubkontakt Mit Schaltplan Szocimotorosokk Ts 250 1 4 10. Tłumiki siedzenia czy akumulatory.
Zapraszamy do zapoznania się z ofertą. RT 1250 finnische Ausführung ETZ 12V allgemein. Vape Mz Es125 150 Ts125 150 Ets125 150 Vape Online Shop.
ETZ 125 150 251 301 Stromlaufplan TS 125 150. Lichtmaschine 12V ETZ125 ETZ150 ETZ250 ETZ251 ETZ301 original DDR EUR 4842 EUR 5900 Versand. Das Set beinhaltet Stator Grundplatte Rotor Schwungscheibe Zündspule Blinkgeber Regler notwendige Kabel Halteschellen Montagebleche und eine Einbauanleitung mit Schaltplan und Bilder zum Einbau.
Spezial Blinkgeber Für Led Blinker 12v Blinkerschaltung Traktor Schaltplan Einkreis. Laderegler Regler elektronisch elektronik 12V pasend für MZ ETZ 125. The capacity doesnt need to be exact.
Harald MoserN13536 Created Date. Or even our 12 Volt 9 Ah battery Item SLA-12V9-F2 can be used with these units as. HOTSYSTEM DC 12V 20A Auto Runder Schalter Wippschalter Ein-Ausschalter mit LED Anzeige Wechsel Switch Kippenschalter für Auto Boot1 Rot1 Grün1 Gelb1 Blau.
Betriebsanleitung Handbuch Motorrad Mz Etz 125 150 Und Etz 251 Stand 03 1989. L 12 8cm x H 10 5 Ah SCHWALBE Sotex Top Qualität mit Deckel Originalmaße Simson KR511-2 wie 13840 aber mit beiliegendem Säurepaket zum befüllen der Batterietrockener 5cm inkl. Die Kabel sind mit Unisteckern voll konfektioniert damit können Sie die.
C5FŸ 5Fh vÿ 9 b57 º³ôLVmÓ meprq0 ß Ö Hc Ü p0 _c ŽIM a Hilè1XP granã1ÄX. 500 R Rotax ETZ 251 301 elektr. Wenn sie schaltplan oder Skizze brauchen bitte kontaktieren Sie unseren Kundenservice.
Das Mz Forum Fur Mz Fahrer Thema Anzeigen Schaltplan Mz. Vape 12v Mz Ets Ts Lichtmaschine Zundung Komplett. Erfahrung im Umgang mit Fahrzeugelektrik wird vorausgesetzt.

Powerdynamo For Mz Es Ts 125 150 6 Volt
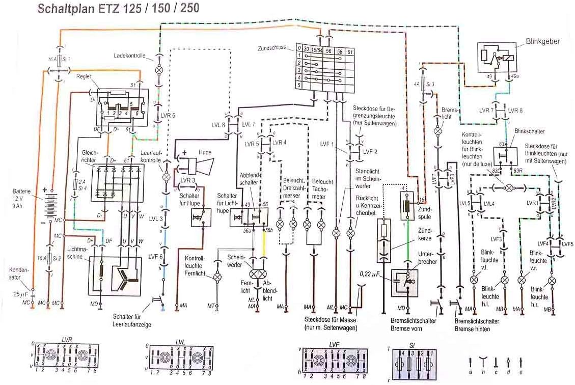
Mz Etz 125 150 Original Schaltplan 6v 12v Inkl Versand In Bayern Hausen I Niederbayern Motorradersatz Reperaturteile Ebay Kleinanzeigen

Powerdynamo For Mz Etz 125 150

Powerdynamo Vape Ignition System Stator Fits Mz Es Ts Ets 125 150 Dc 12 Volt Automotive Amazon Com
Mz Muz Riders View Topic Speedometer Neutral Light

Chinese Scooter Wiring Diagram Elegant Electrical Diagram 150cc Scooter Chinese Scooters

Free Online Wiring Diagrams Automotive Wiring Forums Electrical Circuit Diagram Electrical Wiring House Wiring

Mz Es250 2 Classic Bikes Old Motorcycles Motorbikes

Land Rover Wiring Diagram Land Rover Land Rover Series Land Rover Series 3

Powerdynamo Vape Ignition System Stator Fits Mz Es Ts Ets 125 150 Dc 12 Volt Cyclesrus Net
View 31 Elektrischer Schaltplan Aprilia Sx 50

Amazon Com Powerdynamo Vape Ignition System Stator Fits Mz Es Ts Ets 125 150 Dc 12 Volt Automotive

Esquema Circuito Carga De Una Moto Vintage Bike Youtube Motor

Powerdynamo Vape Ignition System Stator Fits Mz Es Ts Ets 125 150 Dc 12 Volt Cyclesrus Net

Amazon Com Powerdynamo Vape Ignition System Stator Fits Mz Es Ts Ets 125 150 Dc 12 Volt Automotive
Das Mz Forum Fur Mz Fahrer Thema Anzeigen Voltage Regulator Etz 250
Mz Muz Riders View Topic Late Etz Wiring Diagram

Wiring Harness For Mz Etz 125 150 250 251 Deluxe With Speedometer Amazon De Automotive
