Simson S51 Blinker Schaltplan
Das Set beinhaltet Stator Grundplatte Rotor Schwungscheibe Zündspule Blinkgeber Regler notwendige Kabel Halteschellen Montagebleche Kerzenstecker Blei-Gel-Batterie auslaufsicher wartungsfrei alle Birnen mit. Simson s51 b2 4 baujahr 81 habicht sr4 4 73 im oriaufbau.

Interer Schaltplan Vape Regler Simson Forum
Powerdynamo Produkthinweise Elektronischer Blinkgeber 95.

Simson s51 blinker schaltplan. Next post Electric Water Heater Wiring Diagram. Neues Set Lichtmaschine mit Zündanlage zum Umrüsten der Simson Typen S50 S51 S53 und baugleiche Typen von 6V auf 12V Vape-Zündung. Details Zu Blinkgeber Blinkrelais Traktor Trecker Oldtimer Blinker Relais 12v 4x21w 3x2w.
Schaltpläne der Simson Mopeds. Wenn ich den Blinkschalter betätige blinkt lediglich eine Birne ganz schwach wenige Male auf. Schaltplan Simson Forum Simson S53 Schaltplan Elektrik Simsonforumde S50 S51 Simson S50 Und S51 Simson Rollerde Licht Geht Immer Kaputt Simson Forum S50n Auf 12v S50n Auf 12v Ddrmopedde Schaltpläne Umbau Auf Elektronik Zündung Simson Moped Forum Skuteryostrów Największy Dostawca.
Wahrscheinlich ne Fehlannahme da Blinker und Hupe zwischendurch doch funktionieren obwohl die 315 Sicherung. Posted in Schaltplan Tagged s51 blinker schaltplan simson s51 blinker schaltplan Post navigation. S51 VAPE Schaltplan finden App installieren 2Radgeber auf YT.
SR 50 80. Neuer kompletter Kabelsatz passend für Simson Modelle geeignet für Typen S50 S51B S51 Enduro. -Das Licht funktioniert sonst soweit genau wie die Hupe.
Den du mir gegeben hast ist grau-rot oben von der grundplatte und geht 1 oder so am zündschloss welche nummer ist das auf dem schlos es giebt bei mir keine nummer 1 oben so muss grau rot dranquote Am Zündschloss ist ein Dreier-Verteiler. S51 VAPE Schaltplan finden App installieren 2Radgeber auf YT Fehler melden Kontakt. Habe mir vor kurzem eine S51 gekauft.
Blinker Blinkerkontrollleuchte Krause DUO LED schaltplan Simson DUO und Fans Simsonfreunde Augsburg Schaltpläne Schaltpläne Simson Schwalbe KR51x Schaltplan für SIMSON KR51x mit VAP Schaltpläne für alle Simson Mopeds S51 S50 SR50 KR512 SR4-1 Spatz SR4-2 Star SR4-3 Habicht und SR4-4 Sperber. Simson Schwalbe Blinker neu. Batterie 12V 5Ah Gel für Simson S50 S51 SR50 DUO MZ TS ES ES 125 150.
S51 VAPE anschließen Schaltpläne App INSTALLIEREN. S51 S50 Schwalbe KR51 SR50 SR80 Roller Vogelserie SR4 S70 S53 S83 KR50 SR 1 SR 2 SR 2E DUO Sonstige. Hir bekommt ihr ein satz Schwalbe blinker OHNE E prüfzeichen nicht im STVO zugelassen Die eine schale wurde demontiert damit der Käufer das Innenleben sich betrachten kann die Schale ist selbstverständlich dabei Keine RÜCKNAHME möglich KR511 SR4-2 SR4-3 SR4-4 ES Preis ist inklusive Versand.
Stellt das Unternehmen Simson-Dienst seit 1978 dar mit seiner gesammten Dienstleistungs- und Produktpalette. 2 In den Warenkorb. Die Leitungen haben den starken originalen Querschnitt und sind voll konfektioniert teils mit isolierten Flachsteckhülsen.
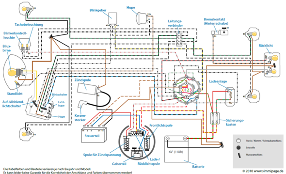
Die Kabelfarben und Bauteile variieren je nach Baujahr und Modell. Previous post Car Horn Relay Wiring Diagram. Technische daten rechtliches zur zulassung bildergalerie von deutschland grosstem simson treffen in zwickau.
Inklusive der Blinkerkabel sind im Basissatz sonst nicht vorhanden. QuoteBreakerGut habe jetzt paar kabel jetzt wieder dran. Hella Elektronischer Blinkgeber 4 Polig 12 V 1080381.
Schaltpläne zum Herunterladen im PDF-Format. Schaltplan Ks 125 Bzw Blinkerrelaise Elektrik. Habe alles angeklemmt wie auf dem Schaltplan beschrieben ist doch leider funktioniert der Blinkgeber nicht so wie ich mit das vorgesstellt habe wenn man nach rechts blinkt ist alles okay allerdings wenn man nach links.
Schwerpunkt sind die Reparatur und Restaurierung aller Simson Mopeds wie die bekannte Schwalbe S51 und Roller verschiedener Hersteller freie Markenwerkstatt Forst-. Es handelt sich um eine Ausführung mit originalen Kabelfarben. Hallo Leute ich habe in hervorragenter Einzellarbeit meiner Simme einen neuen Kabelbaum verpasst.
Dem Schaltplan meine ich zu entnehmen dass der Stromkreis zwischen Batterie und Ladeanlage geschlossen sein muss also beide Sicherungen vorhanden sein müssen damit Blinker und Hupe funktionieren. Auf dem schaltplan den 2. Bestseller Lampenfassung für Tachobeleuchtung BA7s für Simson S51 SR50 MZ ETZ ETS TS ES RT.
Schaltpläne für Elektrische Baugruppen. Nun habe ich einen EWR und einen ELBA. 2x 10062317 AKF Set.
Bei dieser sind nun spontan die Blinker nicht gehen ausgefallen bzw. Werkstatthandbuch Elektrische Ausrüstung Wissenswertes. Schaltplan S51 E4 für Hängerbetrieb.
Da meine erste Frage. Aus diesem Grund habe ich mir. Low Voltage Wiring Tools Low Voltage Wiring Explained Low Voltage Wiring Permit.
Schaltplan s51 b2 4 hallo ich hab seit ein paar tagen eine s51 b2 4 typ laut fahrzeugpapieren jedoch bin ich mir nicht ganz sicher ob es uberhaupt die richtige typenbezeichnung ist. Klapp mich Auf httpswwwtwitchtvsimduro TS3. -Ausschließen kann ich den Blinkgeber da hier ein neuer verbaut ist.
Schaltpläne für alle Simson Mopeds S51 S50 SR50 KR512 SR4-1 Spatz SR4-2 Star SR4-3 Habicht und SR4-4 Sperber. Schaltplan Blinker Blinken Zu Schnell Was Tun Ktm. Ebenenbasierter Schaltplan für alle gängigen Simson S51-Modelle der Baureihen mit E-Zündung und 6V Spannung Die Ebenen kann man im Adobe Reader links über EbenenLayer ein- und ausblenden um den Schaltplan nach Belieben zu vereinfachen.
Simson Schaltpläne S51 S50. Hallo alle zusammenbei einem Simson-S51-umbau stehe ich gerade vor einem größerem ProblemDer Kabelbaum muss neu gebastelt werden und ich habe leider nicht wirklich große Erfahrung mit der Verkabelung und der Elektrik. Interaktiv und auf dem Handy als App.
2 Mini-Blinker 12V LED in Mattschwarz mit Klarglas E-geprüft - Simson S50 S51 S70 S53 S83 SR50 SR80 1x 10013220 Louis Spezial-Blinkgeber für LED-Blinker Leistung 1 - 30 W 1x 10005768 FEZ Blinkleuchtenträger hinten mit Innengewinde M8 verzinkt Ø10mm - für Simson S50 S51 S70. Schaltplan S50 B für Hängerbetrieb Anschluß mit einer Steckdose und Schalter Schaltplan S51 N für Hängerbetrieb.

Poster Schaltplan Simson Kr51 2n Und E
S51 Warnblinkanlage Bauen Elektrik Simsonforum De S50 S51 Sr50 Schwalbe

Problem Bei Der Elektrik Bei S51b Mit Vape Und Anhanger Simson Moped Forum
Blinker Batterie Und Alles Andere Was Ich Nicht Verstehe Elektrik Simsonforum De S50 S51 Sr50 Schwalbe
Elektronik Problem S51 B 1 4 Mit Schaltplan Technik Und Simson Simson Schwalbennest Simson Forum Fur Simsonfreunde
Originale Kabelfuhrung S51 Simson Forum

Wiring Diagram For 110cc 4 Wheeler Rate Chinese 110cc Atv Wiring Electrical Diagram Electrical Wiring Diagram Atv

Schaltplan Pas Fur Simson S51 S50 S70 Elektronik Zundung Kabelplan A3 Kultmopeds Ebay

S51 B1 4 Mit Anhanger Ddrmoped De
Led Blinker Simson Moped Forum
Vape Blinkgeber 2 Polig Massestecker Simson Zundung Simsonforum De S50 S51 Sr50 Schwalbe

Schaltplan Farbposter 40x57cm Simson S51 1 C1 S51 1 E S70 1e Von Mza Akf Shop

Mza Schaltplan Farbposter 40x60cm Simson S51 1b 12v Amazon De Auto Motorrad

Wie Teste Ich Ob Ich Die Blinkerkabel Richtig Verbunden Habe Computer Technik Technologie




