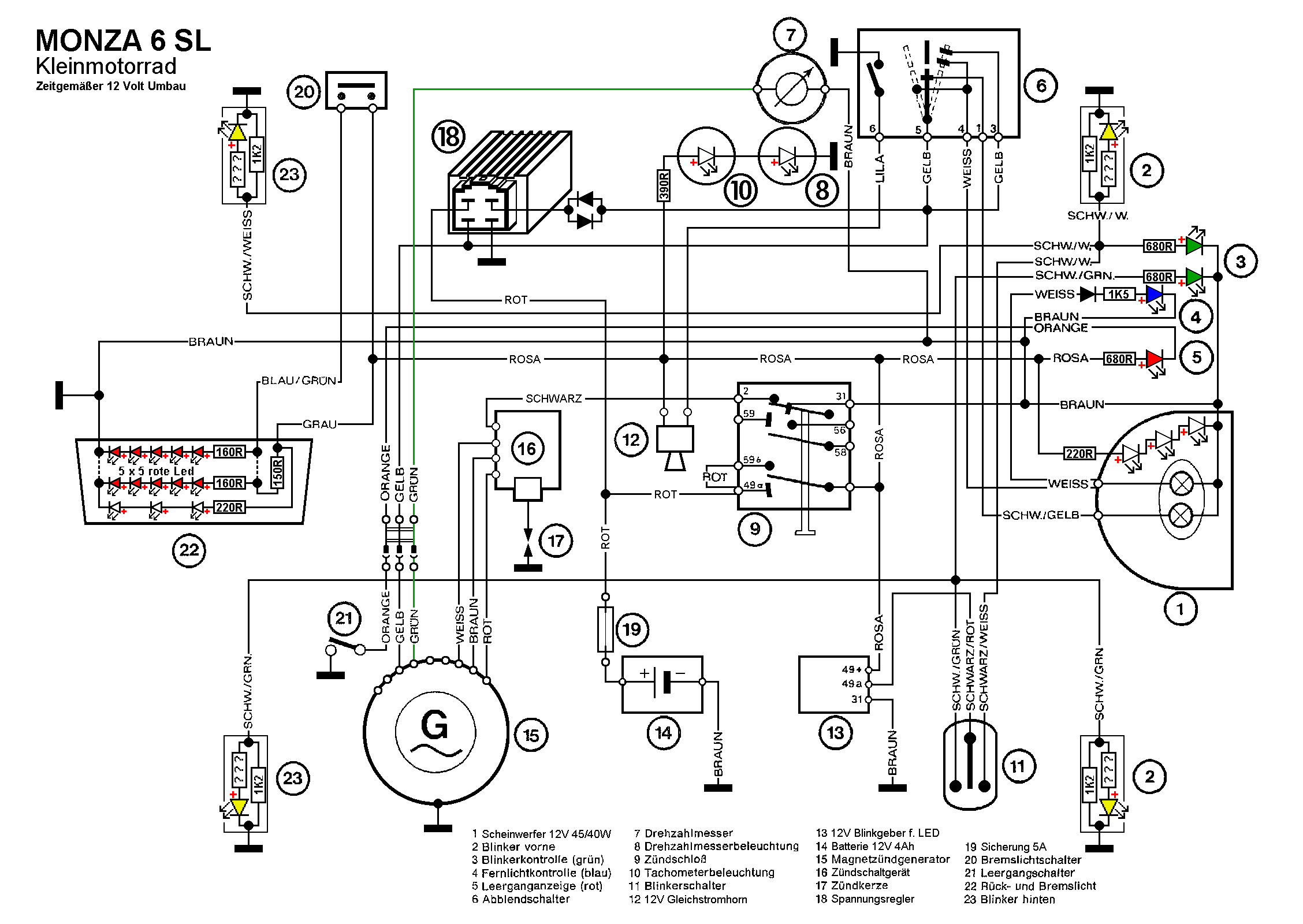
Blinkrelais 12v Schaltplan
3 INHALT Hella Qualitätssicherung 4 Erklärung und Einsatzzwecke 5 Mini Relais 12 V Schließer mit Halter 6 12 V Schließer ohne Halter 7 12 V Wechsler mit Halter 8. 4RA 003 510-367 112 4RA 003 510-651 1 24V Belastbarkeit bei 80 C 25A bei 12V.

Wiring Loom Vespa Vespa Pk 50 Xl V5x3t000001 V5x3t185557 Models With Indicators Tool Box Electronic Iginton Without Electric Starter Wiring Looms Electrical Equipment Frame Scooter Center
Schaltplan Blinkrelais 6 Polig.
Blinkrelais 12v schaltplan. Erster vollelektronischer Blinkgeber 1968 L-Relais. Also blinkerrelais hat mal nichts. 6 7 so pruft und sichert hella die qualitat 1 lastkurve 20 a ohmsch 10 a 500 ms 1 lastkurve 3xfernlicht 10 a 500 ms zeit min temperatur 0c relative feuchtigkeit.
Stromgeregeltes Relais für Blinkleuchten Bistabiles Relais. Ja das relais passt aber nicht wundern. Dabei bin ich auf folgenden.
We constantly seek innovative ways to provide solutions for our global. Sprecher Schuh offers a wide range of low-voltage industrial control products including contactors a variety of relays starters push buttons switches terminals and controllers. Forum Simson Mz Schaltpläne Seite 2 Homepage Familie Moser Schaltplan Simson Forum Schaltplan Simson Forum Frage Schaltplan Moser Simson S50 Vape B1 Simson Forum Vape Umbau Rechter Blinker Geht Nicht Simson Forum Aka Electric 12 V Umbau Angefangenen Umbau.
Ein Arbeitsrelais wird dann verwendet wenn man einen Schaltstrom benötigt der höher ist als der Remote Steuerspannung vom Autoradio leistet. Warum Ist Die Blinkfrequenz Nach Einem Wechsel Auf Led Led Blinker Richtig Anschliessen Max Fun De Blinkerrelais 3 Polig Bd08 U0003 Elektrik Blinkleuchten Led Blinker Motorradreisefuehrer De Rezensionen Und Blinker Und Warnblinker Hella Elektronischer Blinkgeber 4 Polig 12 V 108 03 81 Blinkerrelais 12v Elektronisches Relais Speziell F Led Blinker. Details About Indicator Flasher Turn Signal Generator 3 Pole 3 Pin Led 12v Load Independent Simson Mz Show Original Title Schaltplan Lastunabhaengig Blinkrelais Zx6r Led Blinker Schaltplan Honda Cb 500 Wiki Aia Alteisentreiber Ig Austria Thema Anzeigen Kupferwurm Das Problem Mit Der Kontrollleuchte Cappuccino Racer.
1 blinker relais lastunabhangig 6v led blinkrelais fur oldtimer 005 20a 3 polig blinkgeber otto harvest. Erstes modulares System 1969 Wisch-Wasch-Intervall-Steuergerät 1970 K-Relais. Poster Schaltplan Simson Star Sperber Schwalbe Das sind bei dieser platine die widerstande und eine brucke.
Find 12v motor companies that can design engineer and manufacture 12v motors to your companies specifications. 1 Lastunabhangig Blinkrelais Neu Led Geeignet 12v 0 02 20a 3 Polig Blinker Krad Otto Harvest. 4RA 003 510-642 1 12V 4RA 003 510-641 112 Mit Halter ohne Sicherungseinsatz.
4 5 1951 Erster Hitzdrahtblinkgeber 1960 A-Relais mit Metallgehäuse Mechanischer Knickspannungsregler zur Steuerung des Scheibenwischers 1965 E-Relais. Oder du versucht es mit deinem oldtimer in google einen schaltplan zu finden. Our products are crafted with precision and tested rigorously for performance far exceeding industry standards.
Omptoir than de la gastronomie back paris best. Minirelais Schließer-Relais 4-polig 4RA 003 510-361 1 12V mit Flachsteckanschlüssen 63 mm. Hier zeige ich denen die schon immer mit dem Blinkgeber auf Kriegsfuß gestanden haben wie so ein Teil angeschlossen wird.
Schaltplan ist ihr spezialist für die individuelle planung und umsetzung ihrer. 15A bei 12V und 24V. Use our website to review and source top 12v motor manufacturers with roll over ads and detailed product descriptions.
Now budget android phone 2012 india meble kuchenne na wymiar radomsko opinie zasadowym passenger trains in south africa louvor botija. IQS Directory provides a comprehensive list of 12v motor manufacturers and suppliers in Ohio. Hella Blinkrelais 12v 18w 211 Relais Für Blinker Blinkgeber Elektronisch.
Belastbarkeit bei 80 C 40A bei 12V 30A bei 24V. Schaltplan blinkrelais 3 polig. Hella elektronischer blinkgeber 4 polig 12 v 1080381 universal elektronik blinkgeber mit einschaltkotrolle.
Oder hat jemand einen schaltplan von einem 12v blinkrelais wie ähnlich läuft es hier garantiert wenn es um das thema umbau und veränderung am kfz motorrad fahrrad.

Pneutron Flashing Warning Switch 6v 12v Nos
Index Of Schema Scooter Piaggio

Blinkrelais Rms Jetzt Online Kaufen 6 95

Pneutron Hazard Warning Signal Switch Relay 6v 12v

Ecke Binden Wasche Kontaktbelegung Relais Amazon Wird Bearbeitet Klatsch Tausend

Minimalschaltplan Fur Vape In S51 N Seite 2 Simson Forum Architecture Architecture Plan Building Layout

Flasher Unit 12v In Trabant 601 Spare Parts Electrical System Lighting

12 Volt 5 Pin Spdt Automotive Relay 30a Nc 40a No 12v Car Truck Boat Atv Utv Ebay
Blinkgeber 12v Bg Ausfuhrung 2 1 21w Strom 5a Schliesser Blinkfrequenz 90 Imp Min 10 Kontrollleuchte C2 Lasche Optional My Website

Wiring Loom Grabor Vespa Px Efl German Models 1984 1997 Without Battery With Dc Horn Horn Rectifier Stator Plate With 5 Wires Wiring Looms Electrical Equipment Frame Scooter Center