Raspberry Pi 2 Model B V1.1 Schematic Pdf
Ad Find 300 Million Products with Findchips. Buy Today Get Your Order Fast.

Mounting Holes Introducing The Raspberry Pi Model B Adafruit Learning System
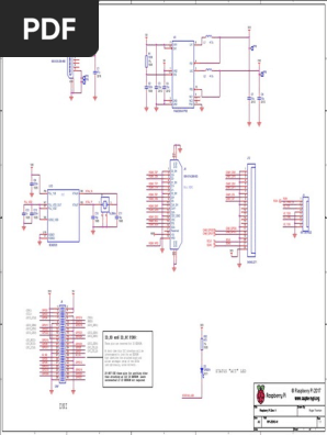
Pi 2 Model B v11 schematics.

Raspberry pi 2 model b v1.1 schematic pdf. FULL FDX DUPLEX 100M 100 LINK LNK Raspberry Pi 10100 Ethernet. We benefit hugely from resources on the web so we decided we should try and give back some of our knowledge. Currently only a reduced schematic has been.
We are pleased to announce that schematics for the revision 20 Raspberry Pi Model B are now available here. The Raspberry Pi Model B Revision 2 schematics are available here. Pi Hardware Raspberry Pi 1 Model B Model B schematics.
The model B schematic is available from here. Schematic of the Raspberry Pi B revision 12. Raspberry Pi 3 Model B 56mm 85mm USB 20 USB 20 10100 ETHERNET CSI CAMERA CONNECTOR HDMI RCA VIDEO AUDIO JACK STATUS LED DSI DISPLAY CONNECTOR GPIO.
The Revision page lists the avliable versions of the pi 4 as v11. Getting Started This is the stuff about how to get started Raspberry Pi OS The official OS of Raspberry Pi Configuration Configuring the Raspberry Pis settings to suit your needs The. Ad Still Shipping Thousands of Products Every Day.
Compare a Huge Selection of Parts. 5 5 4 4 3 3 2 2 1 1 d d c c b b a a power ok pwr led status act led 1v1 vin vin1 vin2 vin3 vin4 agnd agnd agnd spi_sclk spi_ce0_n gpio_gen2 gpio_gen3 gpio_gen5 id_sd and id_sc. Connect with your peers and get expert answers to your questions.
Tryboot is supported on all Raspberry Pi models however on Pi 4 model B revision 10 and 11 the EEPROM must not be write protected. Model A and B Power Supply The power supply is what takes the microUSB port voltage and creates the 5V USB 33V 25V and 18V core voltages. This post describes the key changes introduced in the new.
The Pi 2 Model B the Pi 3 Model B the Pi Zero and the Pi 1 Model B and A. Which makes the odroid 4x times faster than the raspberry pi 2 model B v11. This will NOT void the warranty because it is not using the.
The current models of the Raspberry Pi available. In addition to giving you an idea of how the device. AFAIK the power section is the same layout though Im not sure if component values are identical.
Raspberry Pi 3 Model B. Raspberry Pi POWER ON LED STATUS OK LED. The Model A is the low-cost variant of the Raspberry Pi.
Sat Sep 02 2017 1142 am. Raspberry Pi Dev Reset Short to Reset Raspberry Pi General Purpose IO General Purpose IO. Element14 is the first online community specifically for engineers.
We describe a Rasp Pi project that lets you create an innovative and unique Advent calendar. The 332518 are for the. The hardware schematics page for the Raspberry Pi 4 Model B only list schematics for the 40 version.
Find the Parts you Need. Raspberry Pi 10100 Ethernet. Ad Still Shipping Thousands of Products Every Day.
This is because older Raspberry Pi 4B devices have to. Raspberry Pi 1 Models A and B Pi 2 Model B Pi 3 Models A B and B Pi 4 and Pi Zero Zero W and Zero WH GPIO J8 have a 40-pin pinout. Now that there are Raspberry Pi boards in the wild we thought it would be a good time to share our schematics with the world.
4172012 94548 PM. Raspberry Pi 1 Models A and B have only the. Buy Today Get Your Order Fast.
The new Rasp Pi display provides a compact option for viewing screen output and it comes at a. Raspberry pi model b rpi2 io pins 2 revision 0 the my life up pinout diagram navigating connectors and ics on schematics are new graphicodels 3 gpio pin pololu.

Schematic For Rpi 2 Model B Issue 235 Raspberrypi Documentation Github

Dual Gigabit Ethernet Carrier Board For Raspberry Pi Cm4 Seeed Wiki

Raspberry Pi 3 Gpio Pinout Pin Diagram And Specs In Detail Model B

The Pi4j Project Pin Numbering Raspberry Pi Zero W

Raspberry Rpi Sch 3bplus 1p0 Reduced Service Manual Download Schematics Eeprom Repair Info For Electronics Experts

Raspberry Pi 3 Gpio Pinout Pin Diagram And Specs In Detail Model B

The Pi4j Project Pin Numbering Raspberry Pi 2 Model B
Raspberry Pi Zero W V1 1 Schematics Pdf Network Protocols Communications Protocols

Simple Guide To The Raspberry Pi Gpio Header Raspberry Pi Spy

Raspberry Pi 3 Model B Raspberry Pi Taiwan Screen

Dual Gigabit Ethernet Carrier Board For Raspberry Pi Cm4 Seeed Wiki

Simple Guide To The Raspberry Pi Gpio Header Raspberry Pi Spy

Raspberry Pi Sch Service Manual Download Schematics Eeprom Repair Info For Electronics Experts

The Pi4j Project Pin Numbering Raspberry Pi 2 Model B

Raspberry Pi Sch Service Manual Download Schematics Eeprom Repair Info For Electronics Experts


