Str Sprechanlage Schaltplan
Software zur Einrichtung und Konfiguration des Displaymoduls DBM40 Editor. Entdecken Sie alle Comelit-Downloads im Comelit Pro-Portal.

Schaltplane Und Fehlersuche Adersparanlagen Lippert Website
STR Türsprechanlage Türstation genau betrachtet.

Str sprechanlage schaltplan. Forum Themen Beiträge Letzter Beitrag. Mit unserem umfassenden Download-Bereich haben Sie Kataloge Datenblätter Anleitungen Schaltpläne und sonstige Dokumente direkt im Zugriff. Wenn ich euch helfen konnte würde ich mich über ein.
Herzlich willkommen im Forum für Elektro und Elektronik. Beliebte Posts Schaltplan Stromerzeuger. Archiv Technische Informationen Ritto Siedle Ca 812 Kabelprobelme Beim Wechseln Gegen Ring Doorbell Ritto Entravox In Turklingelanlagen Gunstig Kaufen Ebay Twinbus System Handbuch Archiv Technische Informationen Ritto Unsere Klingel Ist Der Reinste Horror Ersatz Fur Ritto Kombox Gesucht Mikrocontroller Net Sprechanlagen Sprechanlage.
Schaltplan Esatzteile Liste für ältere STR Sprechanlagen. STR Elektronik Haustelefon HT 2006 R B Braun mit Summer und 10 Tasten Neu. Bei der Türanlage mit zwei Drähten werden Video Ton und Strom über nur 2 Kabel übertragen.
Parallel zur vorhandenen Klingel angeschlossen um in den hinteren Räumen der Wohnung die Klingel zu hören und um Sprechanlage und Öffner bedienen zu können. Bticino Terraneo Manual 100 192 005 Jvc Lt 40c750 Manual 100 0. STR 20340 Ersatz Wohnungssprechstelle WF 32 S.
Mit TEB Türlautsprecher Einsatz sowie 3 Tasten. Die STR Türsprechanlage wird international vom traditionsreichen Familien-Unternehmen STR-Elektronik hergestellt und verkauft. Bestseller anzeigen Wenn es sich nur um eine einzelne Gegensprechanlage mit einer Innensprechanlage handelt dann benötigen Sie keinen Schaltplan sondern können in der Regel beide Geräte direkt miteinander verbinden.
719 downloads in Schaltpläne. Die Siedle Türsprechanlage im Test. Komplett reinigen eines Siedle Haustelefon von einer SprechanlageFragen und Anregungen sind willkommen.
Hauptkatalog Competition Englisch 47MB Preisliste Competition Achtung. Preise sind aufgrund aktueller Entwicklungen im Shop aktueller BEDIENUNGSANLEITUNGEN SOFTWARE. Auch als SSS Siedle oder SiedleSöhne bekannt bietet das Unternehmen Lösungen zur Gebäudekommunikation für jede Wohnsituation.
Schaltplane Und Fehlersuche Mehrdrahtanlagen Str Website Bestehende Klingelanlage Per Funk Erweitern Technikaffe De Briefkasten Mit Klingel Und Kamera Klingelanlage Von Renz Licht In Briefkastenanlage Lasst Sich Nicht Betatigen Hausturklingel Installieren Schaltplan Innenarchitektur Klingel Mit Gegensprechanlage Eth01 Ersatzteil F Renz. Hier finden Sie Kataloge Bedienungsanleitungen Schaltpläne. Mit unserem umfassenden Download-Bereich haben Sie Kataloge Datenblätter Anleitungen Schaltpläne und sonstige Dokumente direkt im Zugriff.
Bedienungsanleitung Sprechanlage Deutsch. Mit unserem umfassenden Download-Bereich haben Sie Kataloge Datenblätter Anleitungen Schaltpläne und sonstige Dokumente direkt im Zugriff. Wohnungssprechstelle WF 26 mit Gongruf mit dynamischem Mikrofon-Lautsprecher für Sprechverkehr Gongruf und EtagenrufFlächentaster für Sprachwendung und Öffnerfunktion Abmessung.
Guten Tag lieber Besucher. STR Türsprechanlagen gibt es schon seit fast 40 Jahren und sind dadurch populär geworden dass 1972 das vollständige Münchener Olympiadorf mit. STR-Qwiksupport- Fernwartung für den Qwiksmart-Controller QSC40.
Gegensprechanlage Str Ht 20033 Klingel Mit Kippschalter Elektro Service Helmers Siedle Ht411 02 Nach Str Ht20032 Oder Nach Str Ht30032 Türsprechen Analog ᐅ Türsprechanlage Schaltplan Finden Anschließen Urmet 113315 Universalhörer Zum Tauschen Ihrer Alten Sprechanlage Und Haustelefon Von Seko Sprint600 Auf Siedle Hta 811 0 Und Ert Alte Str. Schaltplan Terraneo Sprechanlage - 198 related keywords - The free SEO tool can help you find keywords data and suggestions associated with your search term Schaltplan Terraneo Sprechanlage efficiently and further provide global search volume CPC and competition of keywords. Das Kabel welches in Verbindung mit der 2-Draht-Türsprechanlage verwendet wird muss dafür mindestens einen Querschnitt von 075 mm² haben damit keine Störungen bei der Übertragung auftreten.
Die Türsprechanlage mit 2-Draht Technik im Test. - im Elektroforum - - Elektronik und Elektro. Siedle Türsprechanlage mit Funk Video im Vergleich.
Qwiksmart plus macOS PC-Client Version 122. Str sprechanlage schaltplan str sprechanlage schaltplan ht 20032. Qwiksmart plus Windows PC-Client Version 131 ab Windows 10 zum Download.
Das Unternehmen Siedle ist der bekannteste Hersteller von Wechselsprechanlagen in Deutschland. Das Modell ist baugleich zu der vor über 20 Jahren installierten. Micrografx Designer 9 - Schaltungsheft07_2011dsf Author.
Siedle Sprechanlagen Set Zweifamilienhaus Ca 812 2 Ew Edelstahl Siedle Sprechanlage Signale Mikrocontrollernet Schaltpläne Und. Dieser Schaltplan für die Sprechanlage vereinfacht den Anschluss mehrerer Kommunikationsgeräte in Ihrem Haushalt. B 85 x H 145 x T 30 mm Montage auf Schalterdose oder Auf Putz die Klamern werden dann entfernt Schaltplan für Anlagen mit dem Netzgerät Verstärker TV20S.

Schaltplane Und Fehlersuche Mehrdrahtanlagen Str Website

Schaltplane Und Fehlersuche Wechselsprechanlagen Str Website

Str 10711 Haustelefon Ht 2003 2 Gvs Weiss 63 48

Schaltplane Und Fehlersuche Mehrdrahtanlagen Str Website

Schaltplane Und Fehlersuche Wechselsprechanlagen Str Website

Altes Str Turfon Tunen Durch Regelbare Lautstarke An Aus

Schaltplane Und Fehlersuche Bussystem Str Website

Schaltplane Und Fehlersuche Adersparanlagen Lippert Website

Schaltplane Und Fehlersuche Adersparanlagen Str Website

Schaltplane Und Fehlersuche Mehrdrahtanlagen Str Website

Schaltplane Und Fehlersuche Mehrdrahtanlagen Str Website

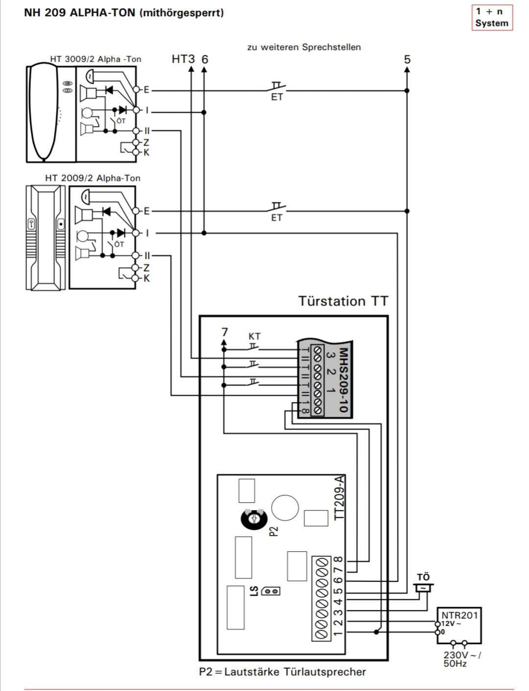
Str 2009 2 Alpha Ton Klingel Stummschalten Aber Wie Technik Strom Elektrotechnik

Schaltplane Und Fehlersuche Mehrdrahtanlagen Str Website

Schaltplane Und Fehlersuche Adersparanlagen Lippert Website

Schaltplane Und Fehlersuche Adersparanlagen Str Website

Schaltplane Und Fehlersuche Mehrdrahtanlagen Str Website

Schaltplane Und Fehlersuche Mehrdrahtanlagen Str Website

Schaltplane Und Fehlersuche Wechselsprechanlagen Str Website